Stock #  230MK6470

PROFESSIONAL INJECTED ENGINE PRESSURE TEST SET

Dealer Price $699.99 CAD
Overview

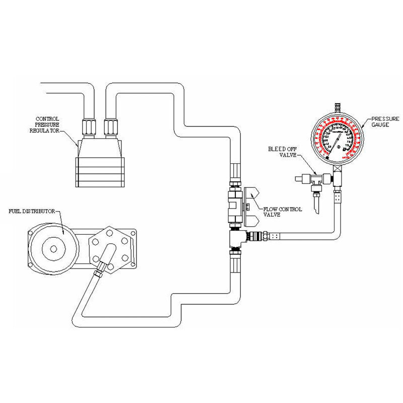
Fuel injection pressure tester Turn off the engine before this test. With the engine off, locate fuel pressure port-Schrader Valve (most new motorcycles have pressure adapters or fuel valve) and attach fuel pressure gauge. If no Schrader Valve is provided, system must be open (residual pressure must be released before fittings are loosened) to keep gasoline from spraying all over. Connect tester by using the correct adapter and access point, or manifold with coupler plug (No.17) Be sure to tighten with clamp and always wrap a shop towel around fitting before loosening. All pressure tests should be made at idle on the high pressure side of the system. Fuel pressure problems generally fall into two categories: Higher than normal operating pressure:

(1) Defective fuel pressure regulator, the supply line and return line cannot be divided

(2) Restriction (bend or kink) in return line

(3) Defective safety valve or fuel pump at tank

(4) Excessive pressure caused by a poor vent system Lower than normal operating pressure:

(1) Defective fuel pump or pressure regulator

(2) Restriction (bend or kink) in supply line or clogged fuel filter

(3) Defective safety valve

(4) Low pressure in tank (vacuum) caused by improper venting

(5) Voltage too low

Specifications
Category Name
Outils
Sale Type
New
Etiquette En
PROFESSIONAL INJECTED ENGINE PRESSURE TEST SET
Outils Type Produit
outils_pour_systemes_d_allumage_et_carburation
No Produit Fournisseur
230MK6470