Kimpex Carburetor Adapter Mounting Flange Fits Arctic cat

Listing image Listing image
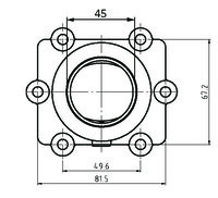
Specifications

Stock Number 301742 Price 59.99
Description